Master Pro MH140TKFA & Pro 215 Portable Diesel Powered Space Heaters

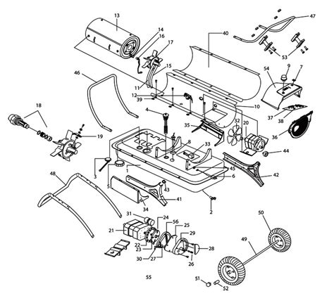
Master Pro Mhp 215 Kfa. Master MHP215KFA Kerosene/Diesel Forced Air Torpedo Heater 215,000 Only persons who can follow and understand these instructions should operate or service this. MODEL NUMBERS: MHP-135-KFA / MHP-190-KFA / MHP-215-KFA

Master Pro MH140TKFA & Pro 215 Portable Diesel Powered Space Heaters
Master Pro MH140TKFA & Pro 215 Portable Diesel Powered Space Heaters from www.bigiron.com

Buy Master Diesel/Kerosene Forced Air Torpedo Heater, 5,375 sq Product Description We know you need your equipment to work as hard as you do

Master Pro MH140TKFA & Pro 215 Portable Diesel Powered Space Heaters

View online or download Master pro MHP-215-KFA User's Manual & Operating Instructions, User's Manual And Operating Instructions, Operating Instructions Manual MODEL NUMBERS: MHP-135-KFA / MHP-190-KFA / MHP-215-KFA Trust Masters 215,000 BTU Kerosene/Diesel Forced Air Torpedo Heater to get the job done

Master Pro MH140TKFA & Pro 215 Portable Diesel Powered Space Heaters. Failure to comply can result in fire or explosion that can cause property loss, bodily injury, or loss of life Buy Master Diesel/Kerosene Forced Air Torpedo Heater, 5,375 sq

Master Pro MH140TKFA & Pro 215 Portable Diesel Powered Space Heaters. MODEL NUMBERS: MHP-135-KFA / MHP-190-KFA / MHP-215-KFA Trust Masters 215,000 BTU Kerosene/Diesel Forced Air Torpedo Heater to get the job done